联系我们
上海中美自控阀门有限公司
公司电话:021-66368888
公司传真:021-51686637
邮箱:2880665957@qq.com
地址:月浦工业区园和路301号
快速报价通道
扫一扫,立刻获取价格
| 耐高温、耐高压、耐腐蚀、耐磨损 | |
| 三维偏心原理设计、蝶板开启瞬间分离密封面 | |
| 多层次密封结构、密封性能卓越 | |
| 通道流畅、运动平稳 | |
-







报价须知:
1.阀体参数:口径,工作压力,阀体材质,使用介质,连接形式等参数
2.执行器:执行器形式,控制方式,控制信号(4-20MA),作用方式(气-开式,气-关式)
3.可选附件:电磁阀,限位开关,二联件
请尽量详细提供关于气动硬密封对夹蝶阀的对数,方便我公司技术人员为您准确选型,如有任何疑问,请致电我们021-66368888,我们一定会尽心尽力为您提供优质的服务.
-
一、硬密封气动对夹式蝶阀概述:
对夹式硬密封气动蝶阀广泛用于电站供热系统和催化裂化主风机道管系统和钢铁、冶金、化工等工业系统以及环保、水处理、高层建筑给水排水管路上作切断或调节流量作用。
产品名称
硬密封气动对夹式蝶阀
产品型号
D673H
产品口径
50-1200MM
产品压力
1.0Mpa-2.5 Mpa
阀体材质
铸钢,不锈钢304,316,316L
阀板材质
铸钢,不锈钢304,316,316L
驱动方式
蜗轮、手动、气动、电动
二、硬密封气动对夹式蝶阀的主要特点:
1、设计采用三偏心原理,开启密封即分离,关闭接触即密封,因此密封性能可靠;
2、密封圈选用不锈钢材料,在高温和冷态工况下,密封无应力变形,具有耐高温、耐腐蚀、使用寿命长的特点;
3、轴向定位装置,解决轴向密封面磨损泄漏的难题,传动装置可任意方向安装;
4、过流面积大,流阻系数小,流通能力强;
5、抗老化、抗辐射、经久耐用;
6、密封可调节,10万次寿命无泄漏。
三、硬密封气动对夹式蝶阀的执行标准:
制造标准
GB/T 122387-89
法兰标准
GB9113-2000、GB17241.6-1998
结构长度标准
GB12221-89
检验标准
GB/T 13927-92
四、气动执行器的主要参数:
气动执行器型号
ZM-AT系列,ZM-GT系列单双作用气动执行器
供气压力
0.5-0.7MPA
气源接口
G1/4"、G1/8"、G3/8"、G1/2"
作用形式
单作用气动执行器,双作用气动执行器
可配附件
电磁阀,限位开关,二联件,手轮机构等
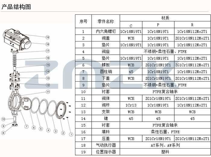
五、硬密封气动对夹式蝶阀的主要零部件材料:
零件名称
主要材料
阀体
铸钢、不锈钢、铬钼钢、合金钢
蝶阀
铸钢、不锈钢、铬钼钢、合金钢
密封圈
不锈钢与耐高温石棉板组合成多层次
阀杆
2Cr13、1Cr13不锈钢、铬钼钢
填料
柔性石墨
| 同系列产品 | ||||||
|





