联系我们
上海中美自控阀门有限公司
公司电话:021-66368888
公司传真:021-51686637
邮箱:2880665957@qq.com
地址:月浦工业区园和路301号
快速报价通道
扫一扫,立刻获取价格
| 本体密封 | |
| 多工位安装,不受介质流向影响 | |
| 非密闭型蝶阀 | |
| 流阻小、流通量大 | |
-





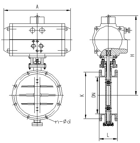
一、通风法兰气动蝶阀概述:
通风法兰气动蝶阀是一种非密闭性气动蝶阀,通风气动蝶阀采用中线式碟板与短结构钢板焊接的新型结构形式设计制造的,结构紧凑、重量轻、便于安装、流阻小、流通量大,避免高温膨胀的影响,操作轻便。气动通风蝶阀内无连杆、螺栓等、工作可靠、使用寿命长。可以多工位安装,不受介质流向影响。气动通风蝶阀是一种非密闭型蝶阀,气动通风蝶阀广泛适用于建材、冶金、矿山、电力等管道上,用以连通、启闭或调节介质量。
产品名称
通风法兰气动蝶阀
产品型号
TD641W
产品口径
50-1200MM
产品压力
0.25Mpa以下
阀体材质
铸钢,不锈钢304,316,316L
阀板材质
铸钢,不锈钢304,316,316L
驱动方式
蜗轮、手动、气动、电动
二、通风法兰气动蝶阀的主要特点:
1.设计新颖、合理、结构独特,重量轻,启闭迅速。
2.力矩小,操作方便,省力灵巧。
3.采用适应的材料以满足低、中、高不同介质温度其及腐蚀性介质等。三、通风法兰气动蝶阀的执行标准:
制造标准
GB/T 122387-89
法兰标准
GB9113-2000、GB17241.6-1998
结构长度标准
GB12221-89
检验标准
GB/T 13927-92
四、气动执行器的主要参数:
气动执行器型号
ZM-AT系列,ZM-GT系列单双作用气动执行器
供气压力
0.5-0.7MPA
气源接口
G1/4"、G1/8"、G3/8"、G1/2"
作用形式
单作用气动执行器,双作用气动执行器
可配附件
电磁阀,限位开关,二联件,手轮机构等
五、通风法兰气动蝶阀的主要零部件材料:
零件名称
主要材料
阀体
铸钢、不锈钢
蝶阀
铸钢、不锈钢
密封圈
铸钢、不锈钢
阀杆
2Cr13、不锈钢
填料
氟塑料、柔性石墨
六、报价须知:
1.阀体参数:口径,工作压力,阀体材质,使用介质,连接形式等参数
2.执行器:执行器形式,控制方式,控制信号(4-20MA),作用方式(气-开式,气-关式)
3.可选附件:电磁阀,限位开关,二联件
请尽量详细提供关于通风法兰气动蝶阀的参数,方便我公司技术人员为您准确选型,如有任何疑问,请致电我们021-66368888,我们一定会尽心尽力为您提供优质的服务.
| 同系列产品 | ||||||
|





