联系我们
上海中美自控阀门有限公司
公司电话:021-66368888
公司传真:021-51686637
邮箱:2880665957@qq.com
地址:月浦工业区园和路301号
快速报价通道
扫一扫,立刻获取价格
| 维修方便,操作简单 | |
| 外观精美,耐用 | |
| 结构紧凑,效率高 | |
| 产品经久耐用 不易损坏 | |
-



一、三片式螺纹米兰体育在线登录入口-米兰(中国) 概述:
气动三片式内螺纹球阀是由双(单)作用气动活塞式执行器和内螺纹球阀组成。其阀体可分为整体式、二段式、三段式。阀座采用弹性密封结构,密封可靠,启闭轻松。阀杆采用有倒密封的下装式结构,阀腔异常升压时,阀杆不会被冲击。气动活塞式执行器采用低摩擦材料做成轴承套,缸体内外表面经硬质阳极氧化防腐处理,大大提高了气缸的使用寿命。本产品使用性能稳定,广泛的用于石化、冶金、电力等工业部门。
产品名称
三片式螺纹米兰体育在线登录入口-米兰(中国)
产品型号
Q611F
产品口径
15-100MM
产品压力
1.0Mpa-4.0 Mpa
阀体材质
铸钢,不锈钢304,316,316L
阀板材质
铸钢,不锈钢304,316,316L
驱动方式
手动、气动、电动
二、三片式螺纹米兰体育在线登录入口-米兰(中国) 的主要特点:
1. 流体阻力小,其阻力系数与同长度的管段相等。
2. 结构简单、体积小、重量轻。
3. 紧密可靠,目前球阀的密封面材料广泛使用塑料、密封性好,在真空系统中也已广泛使用。
4. 操作方便,开闭迅速,从全开到全关只要旋转90°,便于远距离的控制。
5. 维修方便,球阀结构简单,密封圈一般都是活动的,拆卸更换都比较方便。
6. 在全开或全闭时,球体和阀座的密封面与介质隔离,介质通过时,不会引起阀门密封面的侵蚀。
7. 适用范围广,通径从小到几毫米,大到几米,从高真空至高压力都可应用
三、三片式螺纹米兰体育在线登录入口-米兰(中国) 报价须知:
1、 阀体参数:口径,工作压力,阀体材质,使用介质,温度,连接形式等参数
2、 执行器:执行器形式,控制方式,控制信号(4-20MA),作用方式(气-开式,气-关式)
3、可选附件:电磁阀,限位开关,二联件
4、 若已经由设计单位选定的气动三片式螺纹球阀型号,请将三片式螺纹米兰体育在线登录入口-米兰(中国) 型号直接报与我司销售部订购。
5、 如有需要定做的,可以和我们联系,欢迎来电咨:021-66368888
请尽量详细提供关于三片式螺纹米兰体育在线登录入口-米兰(中国) 的参数,方便我公司技术人员为您准确选型,如有任何疑问,请致电我们021-66368888,我们一定会尽心尽力为您提供优质的服务.
-
一、气动执行器的主要参数:
气动执行器
ZMA系列,ZMG系列单双作用气动执行器
供气压力
0.4-0.8MPA
气源接口
G1/4"、G1/8"、G3/8"、G1/2"
作用形式
单作用气动执行器,双作用气动执行器
可配附件
电磁阀,限位开关,二联件,手轮机构等
二、气动执行器的主要零部件材料:
名称
ZMA气动执行器
缸体
铝合金型材质硬质阳极氧化
端盖
压铸铝合金环氧树脂喷涂
活塞
压铸铝
轴
钢镀镍磷合金
O型圈
NBR
螺栓
304不锈钢
三、三片式螺纹米兰体育在线登录入口-米兰(中国) 的阀体主要零部件材料:
零件名称
主要材料
阀体
铸钢,不锈钢304,316,316L
球芯
OCr18Ni9,OCr17Ni12Mo2
阀座
聚四氟乙烯
阀杆
OCr18Ni9,OCr17Ni12Mo2
填料
聚四氟乙烯, 柔性石墨
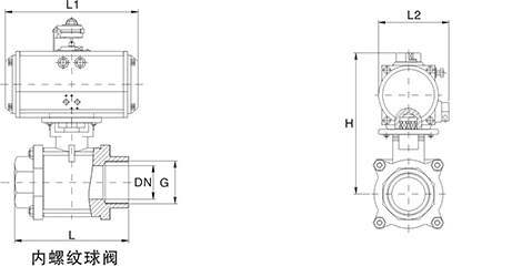
主要外形尺寸-PN16~64(16~64bar)
公称通径
DN
外形尺寸
执行器型号
L
L1
L2
H
G
15
66.5
141
71
196
1/2"
ZMA52
20
77.5
141
71
203
3/4"
ZMA52
25
83.5
159
83
163
1"
ZMA63
32
104.5
211
95
180
11/4"
ZMA63
40
110.5
248
107
208
11/2"
ZMA75
50
129
248
107
218
2"
ZMA83
65
170
269
123
249
21/2"
ZMA92
80
186
315
141
285
3"
ZMA105
100
220
345
152
342
4"
ZMA125
备注:根据不同的阀门扭矩,不同的气源压力以及不同的实际工况,选择相匹配的执行器其相关外形尺寸也随之变化
| 同系列产品 | ||||||
|








