联系我们
上海中美自控阀门有限公司
公司电话:021-66368888
公司传真:021-51686637
邮箱:2880665957@qq.com
地址:月浦工业区园和路301号
快速报价通道
扫一扫,立刻获取价格
| 外观精美,维修简单 方便 | |
| 不易损坏 耐用 | |
| 全新材质制造 品质保证 | |
| 小巧,结构紧凑 | |
-
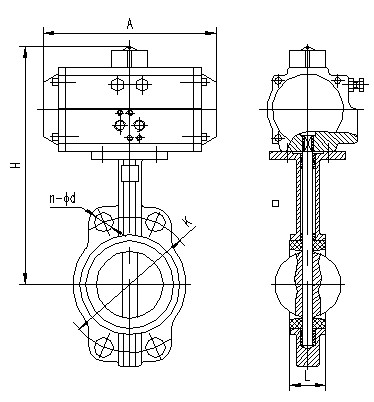
一、软密封气动法兰式蝶阀概述:
气动法兰式软密封蝶阀结构紧凑,90°回转开关轻松,密封可靠,使用寿命长,被广泛用于水厂、电厂、钢厂、造纸、化工、饮食等系统供排水中,作为调节和截止使用。
产品名称
软密封法兰式气动蝶阀
产品型号
D641X
产品口径
50-1200MM
产品压力
1.0Mpa-2.5 Mpa
阀体材质
铸铁,铸钢,不锈钢304,316,316L
阀板材质
铸铁,铸钢,不锈钢304,316,316L
驱动方式
蜗轮、手动、气动、电动
二、软密封气动法兰式蝶阀的主要特点:
1、本阀采用双偏心结构,具有越关越紧的密封功能,密封性能可靠。
2、密封副材料选用不锈钢和丁腈耐油橡胶配对,使用寿命长。
3、橡胶密封圈即可位于阀体上,也可以位于蝶板上,可适用不同特点的介质,供用户选择。
4、蝶板采用框架结构,强度高,过流面积大,流阻小。
5、整体烤漆、能有效地防止锈蚀且只要更换密封阀座密封材料,就可使用于不同介质。
6、本阀具有双向密封功能,安装时不受介质流向的控制,也不受空间位置的影响,可在任何方向安装。
7、本阀结构独特,操作灵活,省力,方便。三、软密封气动法兰式蝶阀的执行标准:
制造标准
GB/T 122387-89
法兰标准
GB9113-2000、GB17241.6-1998
结构长度标准
GB12221-89
检验标准
GB/T 13927-92
四、气动执行器的主要参数:
气动执行器型号
ZM-AT系列,ZM-GT系列单双作用气动执行器
供气压力
0.5-0.7MPA
气源接口
G1/4"、G1/8"、G3/8"、G1/2"
作用形式
单作用气动执行器,双作用气动执行器
可配附件
电磁阀,限位开关,二联件,手轮机构等
五、软密封气动法兰式蝶阀的主要零部件材料:
零件名称
主要材料
阀体
铸铁,铸钢,不锈钢
蝶板
铸铁,铸钢,不锈钢及特殊材料
密封圈
各种橡胶,聚四氟
阀杆
不锈钢
填料
O型圈,柔性石墨
六、报价须知:
1阀体参数:口径,工作压力,阀体材质,使用介质,连接形式等参数
2执行器:执行器形式,控制方式,控制信号(4-20MA),作用方式(气-开式,气-关式)
3. 可选附件:电磁阀,限位开关,二联件
请尽量详细提供关于气动软密封法兰蝶阀的对数,方便我公司技术人员为您准确选型,如有任何疑问,请致电我们021-66368888,我们一定会尽心尽力为您提供优质的服务
| 同系列产品 | ||||||
|





