联系我们
上海中美自控阀门有限公司
公司电话:021-66368888
公司传真:021-51686637
邮箱:2880665957@qq.com
地址:月浦工业区园和路301号
快速报价通道
扫一扫,立刻获取价格
| 无销蝶阀,阀板无销钉不泄漏 | |
| 阀体是烤漆,不易留下刮痕 | |
| 密封圈更耐磨,可更换,维修方便省时省成本 | |
| 常规型号当天发货,交货快 | |
-
蝶阀安装要点
1、要求使用对焊法兰,不建议采用平焊法兰,因为钢管伸进平焊法兰,容易碰到阀板,影响阀板自由启闭
2、确认法兰尺寸必须允许阀板自由转动,法兰内径不能过小或过大,见右下图
3、蝶阀装上后不允许再焊接法兰,以免烫伤衬圈。






一、软密封气动对夹式蝶阀概述:
气动对夹式软密封蝶阀结构紧凑,90°回转开关轻松,密封可靠,使用寿命长,被广泛用于水厂、电厂、钢厂、造纸、化工、饮食等系统供排水中,作为调节和截止使用。
产品名称
软密封对夹式气动蝶阀
产品型号
D671X
产品口径
50-1200MM
产品压力
1.0Mpa-2.5 Mpa
阀体材质
铸铁,铸钢,不锈钢304,316,316L
阀板材质
铸铁,铸钢,不锈钢304,316,316L
驱动方式
蜗轮、手动、气动、电动
二、软密封气动对夹式蝶阀的主要特点:
1、 小巧轻便,容易拆装及维修,并可在任意位置安装。
2、结构简单、紧凑,操作扭矩小,90°回转开启迅速。
3、流量特性为直线,调节性能好。
4、蝶板与阀杆的连接采用无销钉结构,克服了有可能的内泄漏点。
5、蝶板外圆采用球面造型,提高了密封性能及延长了阀门的使用寿命,带压启闭5万次以上仍保持零泄漏。
6、密封件可更换,且密封可靠达到双向密封。
7、蝶板可根据用户要求喷涂覆层,如尼龙或聚四氟类。
三、报价须知:
1. 阀体参数:口径,工作压力,阀体材质,使用介质,连接形式等参数
2. 执行器:执行器形式,控制方式,控制信号(4-20MA),作用方式(气-开式,气-关式)
3. 可选附件:电磁阀,限位开关,二联件
请尽量详细提供关于气动软密封对夹蝶阀的参数,方便我公司技术人员为您准确选型,如有任何疑问,请致电我们021-66368888,我们一定会尽心尽力为您提供优质的服务.
-
一、软密封气动对夹式蝶阀的执行标准:
制造标准
GB/T 122387-89
法兰标准
GB9113-2000、GB17241.6-1998
结构长度标准
GB12221-89
检验标准
GB/T 13927-92
二、气动执行器的主要参数:
气动执行器
ZM-AT系列,ZM-GT系列单双作用气动执行器
供气压力
0.5-0.7MPA
气源接口
G1/4"、G1/8"、G3/8"、G1/2"
作用形式
单作用气动执行器,双作用气动执行器
可配附件
电磁阀,限位开关,二联件,手轮机构等
三、软密封气动对夹式蝶阀的主要零部件材料:
零件名称
主要材料
阀体
铸铁,铸钢,不锈钢
蝶阀
铸铁,铸钢,不锈钢及特殊材料
密封圈
各种橡胶,聚四氟
阀杆
不锈钢
填料
O型圈,柔性石墨
四、软密封气动对夹式蝶阀的技术参数
技术参数
公称通径
DN150-1200mm
连接方式
对夹式
气缸配置
ZMA执行器
气缸形式
双作用、单作用(弹簧复位)
控制方式
开关型、调节型
公称压力
10、16、25bar(如需更高压力订货时请注明)
气源压力
双作用:4~8bar、单作用:5~8bar
环境温度
标准型:-20~80℃
阀体材质
铸铁(Q)、碳钢(C)、不锈钢(304、316、316L)
密封材质
丁晴橡胶(X)、聚四氟乙烯(F)、全内衬聚四氟乙烯(F46)
备注:其它特殊密封材质或特殊温度亦可根据客户要求设计制造
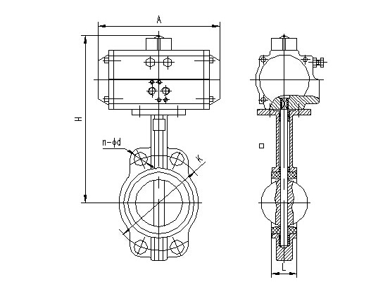
主要外形尺寸-PN16(16bar)
公称通径
DN
外形尺寸
连接尺寸
执行器型号
L
A
H
K
N-D
50
42
160
232
125
4-16
ZMA52
65
44
190
261
145
4-16
ZMA63
80
44
206
279
160
8-16
ZMA75
100
50
216
307
180
8-16
ZMA83
125
56
260
328
210
8-16
ZMA92
150
56
286
356
240
8-16
ZMA105
200
60
340
417
295
12-20
ZMA125
250
68
412
467
355
12-24
ZMA140
300
78
480
530
410
12-24
ZMA160
350
78
480
566
470
16-24
ZMA160
400
102
538
637
525
16-27
ZMA190
450
114
568
694
585
20-27
ZMA210
500
127
660
759
650
20-27
ZMA240
600
151
740
855
770
20-33
ZMA270
备注:根据不同的阀门扭矩,不同的气源压力以及不同的实际工况,选择相匹配的执行器其相关外形尺寸也随之变化
| 同系列产品 | ||||||
|





