联系我们
上海中美自控阀门有限公司
公司电话:021-66368888
公司传真:021-51686637
邮箱:2880665957@qq.com
地址:月浦工业区园和路301号
快速报价通道
扫一扫,立刻获取价格
| 耐腐蚀、密封性能好 | |
| 可用遥控远距离操作,更智能 | |
| 执行器经过硬质氧化处理,使用寿命更长 | |
| 双向密封,介质任意流向 | |
-

法兰米兰体育在线登录入口-米兰(中国) 实拍图
一、法兰衬氟米兰体育在线登录入口-米兰(中国) 概述
气动法兰球阀是球阀配上气动执行器。气动执行器的执行速度相对较快,在很大程度上节约了人力资源以及时间。 气动法兰球阀是由截止阀演变而来。它具有相同的旋转90度提动作,不同的是旋塞体是球体,有圆形通孔或通道通过其轴线。球面和通道口的比例应该是这样的, 即当球旋转90度时,在进、出口处应全部呈现球面,从而截断流动。
二、法兰衬氟米兰体育在线登录入口-米兰(中国) 特点
气动法兰球阀在管路中主要用来做切断速度快、分配和改变介质的流动方向。米兰体育在线登录入口-米兰(中国) 是近年来被广泛采用的一种新型阀门,它具有以下优点:
1. 流体阻力小,其阻力系数与同长度的管段相等。
2. 结构简单、体积小、重量轻。
3. 紧密可靠,目前球阀的密封面材料广泛使用塑料、密封性好,在真空系统中也已广泛使用。
4. 操作方便,开闭迅速,从全开到全关只要旋转90°,便于远距离的控制。
5. 维修方便,米兰体育在线登录入口-米兰(中国) 结构简单,密封圈一般都是活动的,拆卸更换都比较方便。
6. 在全开或全闭时,球体和阀座的密封面与介质隔离,介质通过时,不会引起阀门密封面的侵蚀。
-
技术规范
设计依据
GB标准
设计标准
GB/12237
结构长度
法兰链接
GB/12221
连接法兰尺寸
GB/9113、JB/T79
实验和检验
GB/T13927、JB/T9092
备注:球阀系列结构长度及连接尺寸可根据客户要求设计制造
技术参数
公称通径
DN15-200mm
连接方式
法兰
气缸配置
ZMA执行器
气缸形式
双作用、单作用(弹簧复位)
控制方式
开关型、调节型
公称压力
10、16、25、40bar(如需更高压力订货时请注明)
气源压力
双作用:4~8bar、单作用:5~8bar
环境温度
标准型:-20~80℃
阀体材质
碳钢(C)、不锈钢(304、316、316L)
密封材质
聚四氟乙烯(F)、对位聚苯(PPL)、金属硬密封(H)、硬质合金(Y)
备注:其它特殊密封材质或特殊温度亦可根据客户要求设计制造
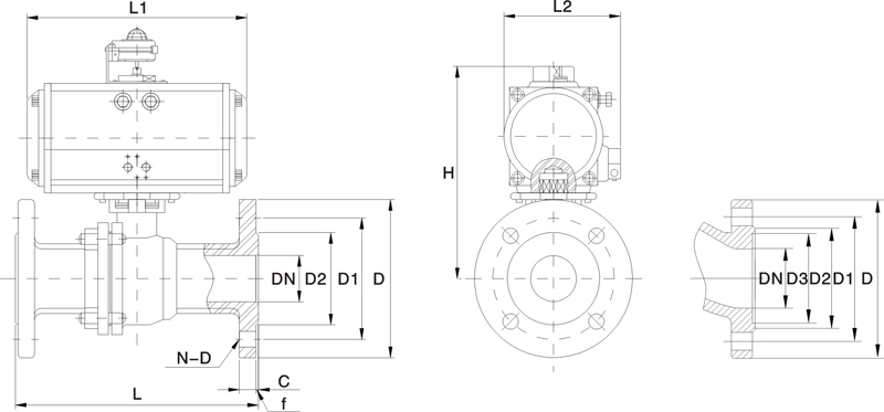
法兰衬氟米兰体育在线登录入口-米兰(中国) 的外形图

主要外形尺寸-PN16(16bar)
公称通径
DN
外形尺寸
连接尺寸
执行器型号
L
L1
L2
H
D
D1
D2
C
F
N-D
15
130
141/159
71/83
204/235
95
65
45
14
2
4-12
ZMA52
20
140
141/159
71/83
209/240
105
75
55
16
2
4-12
ZMA52
25
150
159/211
83/95
214/256
115
85
65
16
2
4-12
ZMA63
32
165
159/248
83/107
257/277
135
100
78
18
2
4-16
ZMA63
40
180
211/248
95/107
274/292
145
110
85
18
3
4-16
ZMA75
50
200
248/269
107/123
290/300
160
125
100
20
3
4-16
ZMA83
65
220
248/315
107/141
310/335
180
145
120
20
3
4-16
ZMA92
80
250
269/345
123/152
346/368
195
160
135
20
3
8-16
ZMA105
100
280
345/409
152/172
378/410
215
180
155
22
3
8-16
ZMA125
125
320
409/550
172/215
425/450
245
210
185
22
3
8-16
ZMA140
150
360
550/600
215/240
468/531
280
240
210
24
3
8-20
ZMA160
200
400
600/633
240/262
583/618
335
295
265
24
3
12-20
ZMA210
备注:根据不同的阀门扭矩,不同的气源压力以及不同的实际工况,选择相匹配的执行器其相关外形尺寸也随之变化
| 同系列产品 | ||||||
|





