联系我们
上海中美自控阀门有限公司
公司电话:021-66368888
公司传真:021-51686637
邮箱:2880665957@qq.com
地址:月浦工业区园和路301号
快速报价通道
扫一扫,立刻获取价格
| 高平台装置,安装更方便 | |
| T型、L型规格型号齐全 | |
| 执行器缸体经过硬质氧化处理,更耐用 | |
| 耐磨耐腐蚀,使用寿命长 | |
-






一、高平台三通米兰体育在线登录入口-米兰(中国) 概述:
高平台三通米兰体育在线登录入口-米兰(中国) 是由双(单)作用气动活塞式执行器和三通球阀组成。其阀体分为L型和T型。气动活塞式执行器采用低摩擦材料做成轴承套,缸体内外表面经硬质阳极氧化防腐处理,大大提高了气缸的使用寿命。本产品使用性能稳定,广泛的用于石化、冶金、电力等工业部门。
产品名称
高平台三通米兰体育在线登录入口-米兰(中国)
产品型号
Q644/5F
产品口径
15-100MM
产品压力
1.0Mpa-4.0 Mpa
阀体材质
铸钢,不锈钢304,316,316L
阀板材质
铸钢,不锈钢304,316,316L
驱动方式
手动、气动、电动
二、高平台三通米兰体育在线登录入口-米兰(中国) 的主要特点:
1、结构紧凑、启闭迅速、流道畅通、流体阻力小。
2、密封性能好:利用四面阀座材料聚四氟乙烯弹性变形实现无泄漏密封。
3、一阀多用:任一通口可用作入口而无泄漏,三通既可制成L型通口,也可制成T型通口。
4、维修方便:在系统卸压后,无需拆下整个阀体就可进行检查和维修。
5、泛适用于供水、石化、冶金、矿山、轻纺、能源、造纸、食品、钢铁等管路系统中对介质流向进行切换以及对介质的分流或混合流体。
三、报价须知:
1、 阀体参数:口径,工作压力,阀体材质,使用介质,温度,连接形式等参数
2、 执行器:执行器形式,控制方式,控制信号(4-20MA),作用方式(气-开式,气-关式)
3、可选附件:电磁阀,限位开关,二联件
4、若已经由设计单位选定的高平台三通米兰体育在线登录入口-米兰(中国) 型号,请将高平台三通米兰体育在线登录入口-米兰(中国) 型号直接报与我司销售部订购。
5、 如有需要定做的,可以和我们联系,欢迎来电咨:021-66368888
请尽量详细提供关于高平台三通米兰体育在线登录入口-米兰(中国) 的参数,方便我公司技术人员为您准确选型,如有任何疑问,请致电我们021-66368888,我们一定会尽心尽力为您提供优质的服务.
-
一、气动执行器的主要参数:
气动执行器
ZMA系列,ZMG系列单双作用气动执行器
供气压力
0.4-0.8MPA
气源接口
G1/4"、G1/8"、G3/8"、G1/2"
作用形式
单作用气动执行器,双作用气动执行器
可配附件
电磁阀,限位开关,二联件,手轮机构等
二、气动执行器的主要零部件材料:
名称
ZMA气动执行器
缸体
铝合金型材质硬质阳极氧化
端盖
压铸铝合金环氧树脂喷涂
活塞
压铸铝
轴
钢镀镍磷合金
O型圈
NBR
螺栓
304不锈钢
三、高平台三通米兰体育在线登录入口-米兰(中国) 的阀体主要零部件材料:
零件名称
主要材料
阀体
铸钢,不锈钢304,316,316L
球芯
OCr18Ni9,OCr17Ni12Mo2
阀座
聚四氟乙烯
阀杆
OCr18Ni9,OCr17Ni12Mo2
填料
聚四氟乙烯, 柔性石墨
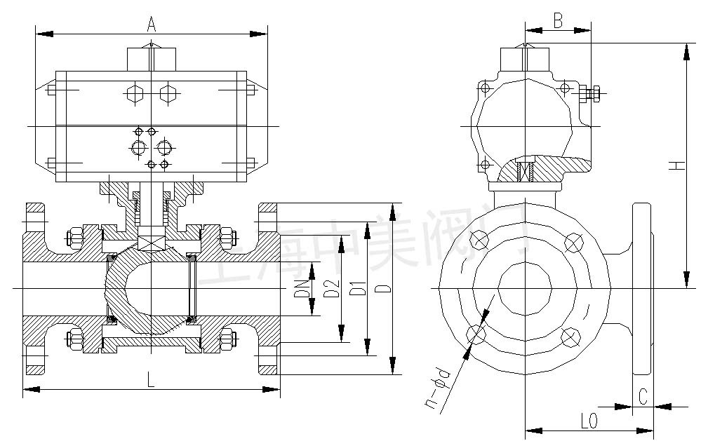
四、高平台三通米兰体育在线登录入口-米兰(中国) 的外形尺寸图:

口径
执行器
D
d
K
A
L
H
C
15
ZMA52
95
45
65
160
150
145
14
20
ZMA52
105
55
75
160
160
150
14
25
ZMA63
115
65
85
190
180
178
14
32
ZMA75
140
78
100
206
200
197
16
40
ZMA83
150
85
110
216
220
216
16
50
ZMA92
165
100
125
260
240
229
16
65
ZMA105
185
120
145
286
260
260
18
80
ZMA125
200
135
160
340
280
294
20
100
ZMA140
220
155
180
412
320
343
20
| 同系列产品 | ||||||
|





