联系我们
上海中美自控阀门有限公司
公司电话:021-66368888
公司传真:021-51686637
邮箱:2880665957@qq.com
地址:月浦工业区园和路301号
快速报价通道
扫一扫,立刻获取价格
| 无销蝶阀,阀板无销钉不泄漏 | |
| 阀体是烤漆,不易留下刮痕 | |
| 密封圈更耐磨,可更换,维修方便省时省成本 | |
| 常规型号当天发货,交货快 | |
-
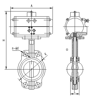
一、软密封气动对夹式蝶阀的执行标准:
制造标准
GB/T 122387-89
法兰标准
GB9113-2000、GB17241.6-1998
结构长度标准
GB12221-89
检验标准
GB/T 13927-92
二、气动执行器的主要参数:
气动执行器
ZM-AT系列,ZM-GT系列单双作用气动执行器
供气压力
0.5-0.7MPA
气源接口
G1/4"、G1/8"、G3/8"、G1/2"
作用形式
单作用气动执行器,双作用气动执行器
可配附件
电磁阀,限位开关,二联件,手轮机构等
三、软密封气动对夹式蝶阀的主要零部件材料:
零件名称
主要材料
阀体
铸铁,铸钢,不锈钢
蝶阀
铸铁,铸钢,不锈钢及特殊材料
密封圈
各种橡胶,聚四氟
阀杆
不锈钢
填料
O型圈,柔性石墨
四、软密封气动对夹式蝶阀的技术参数
技术参数
公称通径
DN150-1200mm
连接方式
对夹式
气缸配置
ZMA执行器
气缸形式
双作用、单作用(弹簧复位)
控制方式
开关型、调节型
公称压力
10、16、25bar(如需更高压力订货时请注明)
气源压力
双作用:4~8bar、单作用:5~8bar
环境温度
标准型:-20~80℃
阀体材质
铸铁(Q)、碳钢(C)、不锈钢(304、316、316L)
密封材质
丁晴橡胶(X)、聚四氟乙烯(F)、全内衬聚四氟乙烯(F46)
备注:其它特殊密封材质或特殊温度亦可根据客户要求设计制造
| 同系列产品 | ||||||
|







